Assistenza e consulenza:

03681 / 454266-20
Lun-Gio 06:30 - 16:00
Ven 06:30 - 12:00
Contatto
Spedizione rapida
Controllo, manutenzione & riparazione
Oltre 15.000 clienti soddisfatti
Pagamento con fattura
Chiamaci: 03681 454266-20
Ricerca in corso...

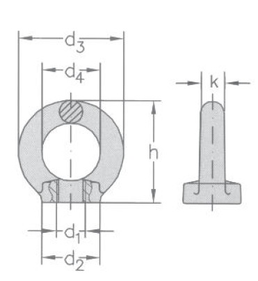
Dado ad anello per sollevamento secondo DIN 582

Ringmutter zum Heben nach DIN 582
Ringmutter zum Heben nach DIN 582
Ringmutter zum Heben nach DIN 582 technische Zeichnung
Ringmutter zum Heben nach DIN 582 technische Daten
Gewicht: ca. 1,00 kg

Art.-Nr.: 7190111

Dado ad anello per sollevamento secondo DIN 582

1,00 €*

Contenuto: 1 pezzo

* Prezzi netti IVA esclusa, più spese di spedizione

Disponibile, 1-3 Tage
Numero articolo: 7190111
I nostri metodi di pagamento:
Bonifico Fattura Carta di credito
Condividi questo prodotto:

Informazioni prodotto

Madreviti ad anello per sollevamento secondo la norma DIN 582:2003-08 in acciaio C15E. Le madreviti ad anello possono essere facilmente e rapidamente fissate a punti di ancoraggio o viti adatte grazie alla loro filettatura interna.

Offriamo le madreviti ad anello con capacità di carico da 140 a 3.600 kg con filettature da M8 a M30.

Le madreviti ad anello, chiamate anche madreviti ad occhio, sono uno dei tipi di dado più versatili per componenti come motori, ingranaggi o quadri elettrici. Possono essere utilizzate anche per il tensionamento o per appendere molti altri oggetti. La madreviti ad anello è molto adatta per il fissaggio di carichi, ad esempio tramite cavi d'acciaio, grazie alla sua forma.

Per la madreviti ad anello secondo la norma DIN 582, oltre ai valori massimi di carico indicati nella tabella, devono essere rispettate le seguenti linee guida: la madreviti ad anello deve essere completamente avvitata, in modo che le due superfici di contatto siano ben a contatto tra loro. Il controfiletto deve avere la stessa lunghezza e il materiale di base deve avere la stessa resistenza della madreviti. Il manuale operativo contiene ulteriori indicazioni e viene fornito con ogni madreviti ad anello in spedizione.

Altre caratteristiche della madreviti ad anello

  • Forgiato a caldo
  • Ricotto
  • Superficie di contatto delle madreviti lavorata
  • Zincato, superficie passivata blu
  • Acciaio C15E

Il carico utile della madreviti ad anello è indicato con un fattore di sicurezza di 4 rispetto alla resistenza minima alla rottura.

I raggi di apertura dell'occhiello sono visibili nella descrizione tecnica (immagine).

L'acciaio C15E è un acciaio speciale non legato. A differenza dell'acciaio inossidabile, è un acciaio dolce legato solo con carbonio, caratterizzato dalla facilità di lavorazione a freddo e dalla saldabilità senza particolari precauzioni. Inoltre, la madreviti ad anello ha una protezione attiva contro la corrosione grazie al suo rivestimento zincato.

La disponibilità non è un problema, poiché di solito abbiamo scorte maggiori delle madreviti in spedizione. Normalmente, è garantito un breve tempo di consegna per le madreviti. Le spese di spedizione non sono incluse nel prezzo del prodotto indicato.

Presso di noi troverete anche viti corrispondenti per il sollevamento. Le viti ad anello hanno essenzialmente le stesse caratteristiche delle madreviti ad anello, ma con una filettatura esterna. Inoltre, nel nostro assortimento di spedizione troverete molti altri articoli nel settore dei mezzi di ancoraggio.

Hai ancora domande sulla madreviti ad anello?

Vuoi acquistare madreviti ad anello o viti ad anello? Per domande sull'articolo e sulla spedizione, non esitare a contattarci telefonicamente. Oppure utilizza semplicemente il nostro modulo di contatto.

0,0
0 Bewertungen

Questo prodotto non ha ancora recensioni. Sii il primo!

La tua recensione

×

📦 Spese di spedizione Italia

Versandbedingungen

SHT liefert jede Warensendung per Spedition oder per Paketdienst. Die Lieferzeit ist abhängig von der Verfügbarkeit der Ware im Lager. Wir versuchen die Versandkosten zu optimieren, diese werden dann ohne Zuschlag an den Kunden weitergegeben.

Zahlungsbedingungen

Da Hebezeuge mehrheitlich von Geschäftskunden erworben werden, sind alle Preise Nettoverkaufspreise. Auf dem Kundenbeleg/Rechnung befinden sich ebenfalls separat ausgeschildert die Nettopreise, zu denen noch die jeweils geltende deutsche gesetzliche Umsatzsteuer kommt.

Die Ware inkl. Versandkosten können gezahlt werden

  • Kauf auf Rechnung (30 Tage Zahlungsziel)
  • Kreditkarte
  • Sofort Überweisung
  • Bancontact
  • giropay
  • SEPA-Lastschrift
  • Apple-Pay
  • Vorkasse

Die in unseren Katalogen, Broschüren, Preislisten, Internetseiten und sonstigen Werbeschriften angeführten Preise gelten als freibleibend, vorbehaltlich Satz- und Druckfehler und verstehen sich wenn nicht anders aufgeführt ab Verkaufsgelände oder Warenlager.

Bitte beachten Sie, dass wir uns bei Erstkäufern, die als Privatpersonen einkaufen, das Recht vorbehalten, Vorkasse als Zahlungsart zu bestimmen. Dies gilt auch dann, wenn im Bestellprozess zunächst 'Kauf auf Rechnung' als Zahlungsmethode ausgewählt wurde.

Sämtliche von uns gelieferte Ware bleibt bis zur vollständigen Bezahlung des Kaufpreises in unserem Eigentum.

Für sämtliche Streitigkeiten aus oder über den Kaufvertrag ist ausschließlich deutsches Recht anzuwenden. Die Anwendung des Übereinkommens der Vereinten Nationen über Verträge im internationalen Warenaustausch wird einvernehmlich ausgeschlossen. Der ausschließliche Gerichtsstand ist Hamburg.

×

🔍 Trovato a meno?

Hai trovato questo articolo a un prezzo inferiore? Indicaci il prezzo – verificheremo e ti risponderemo rapidamente!

Inserisci il link completo al prodotto

Spedizione rapida
Controllo, manutenzione & riparazione
Oltre 15.000 clienti soddisfatti
Pagamento con fattura
Chiamaci: 03681 454266-20